
موتور درب غلتکی برقی
طبقه بندی: موتور دنده DC Spur
کاربرد: روشنایی صحنه، شیر هوشمند، دستگاه خشک کن خشک کن. و غیره
نکات: موتورها را می توان با توجه به نیاز مشتری طراحی کرد
موتور درب غلتکی برقی
درب نورد برقی یک درب نورد راحت و سریع است که با حرکت درب نورد توسط یک موتور می توان به طور خودکار رول و باز کرد. درب کرکره ای برقی برای مکان های تجاری، کارخانه ها، انبارها و سایر مکان هایی که نیاز به کنترل اتوماتیک دارند مناسب است. دارای مزایای ایمنی، دوام و زیبایی است. یک وسیله مهم
موتور درب کرکره برقی مدار داخل موتور را از طریق دستورالعمل سیستم کنترل الکتریکی باز می کند و القای الکترومغناطیسی ایجاد می کند و قرقره درب کرکره نورد را به حرکت در می آورد تا از طریق دستگاه دنده داخلی عبور کند تا پرده درب بالا بیاید. یا سقوط در این میان کنترل دور موتور و فرمان با انرژی دادن یا ندادن به سیم پیچ الکترومغناطیس داخل موتور محقق می شود. در همان زمان، موتور همچنین می تواند توقف خودکار و کنترل موقعیت در بالا و پایین رفتن درب را از طریق دستگاه هایی مانند محدود کننده ها درک کند. موتور درب نورد برقی عملکرد خودکار بدنه در را از راه دور از طریق کنترل الکتریکی ساده انجام می دهد.
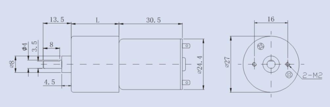
1.پارامتر محصول
مدل | ولتاژ | بدون بار | در حداکثر بهره وری | غرفه | ||||
سرعت | جاری | سرعت | جاری | خروجی | گشتاور | جاری | ||
V | r٪2fmin | A | r٪2fmin | A | W | کیلوگرم. سانتی متر | A | |
دانلود: GM27A370.000.000.000. | 3 | 217 | 0.08 | 179 | 0.33 | 0.28 | 1.5 | 1.52 |
2.ویژگی محصول و برنامه
*نورپردازی صحنه *نمایش کریستال مایع
* شیر هوشمند *قفل اتوماتیک درب
3. جزئیات تولید
نسبت دنده و مواد دنده را می توان با درخواست طراحی کرد
طراحی سفارشی: خوش آمدید

4. مزایا
1. کارکرد آسان: موتور درب نورد برقی را می توان با روش های مختلفی مانند کنترل از راه دور یا دکمه ها کنترل کرد و نیازی به بلند کردن یا پایین آوردن دستی درب نورد نیست، بنابراین عملیات بسیار راحت است.
2. بهبود ایمنی: از آنجایی که موتور درب نورد الکتریکی را می توان با کنترل از راه دور یا دکمه ها کنترل کرد، هیچ کس نیازی به بلند کردن یا پایین آوردن درب نورد ندارد، بنابراین می توان از حوادث جلوگیری کرد و ایمنی را بهبود بخشید.
3. افزایش راندمان: با کمک موتور درب نورد برقی می توان درب نورد را سریعتر بالا و پایین کرد و در نتیجه راندمان را بهبود بخشید.
4. صرفه جویی در کار: با کمک موتور درب نورد برقی، افراد دیگر نیازی به کار سخت برای بلند کردن یا پایین آوردن درب نورد ندارند، بنابراین باعث صرفه جویی در تلاش می شود.
5. صرفه جویی در فضا: موتور درب نورد برقی خود ساختار نزدیکی با درب نورد دارد و فضای غیر ضروری را اشغال نمی کند، بنابراین می تواند در فضا صرفه جویی کند.
6. قابلیت اطمینان بالا: موتور درب نورد الکتریکی از فناوری کنترل الکتریکی با دقت بالا استفاده می کند و محرک به آرامی و قابل اعتماد بدون سر و صدا یا پرش باز و بسته شدن عمل می کند.
7. دوام بالا: موتور درب نورد برقی از مواد با کیفیت بالا، با ساختار معقول و نگهداری راحت ساخته شده است، بنابراین از دوام بالایی برخوردار است.
8. کاربرد گسترده: موتور درب نورد برقی برای انواع درب و پنجره مناسب است و با شکل درب و پنجره محدود نمی شود، بنابراین کاربرد گسترده ای دارد.
به طور خلاصه، موتور درب نورد برقی دارای مزایای بسیاری مانند عملکرد راحت، بهبود ایمنی، بهبود کارایی، صرفه جویی در کار، صرفه جویی در فضا، قابلیت اطمینان بالا، دوام بالا و کاربرد گسترده است. کاربردهای وسیعی دارد و تبدیل به یک زندگی خانگی مدرن شده است. بخش بسیار مهم
تگ های محبوب: موتور درب غلتکی برقی، چین، تولید کنندگان، تامین کنندگان، کارخانه، عمده فروشی، سفارشی، نقل قول، تخفیف، قیمت، خرید، ارزان
بعدی
دنده موتور DCشما نیز ممکن است دوست داشته باشید
ارسال درخواست











